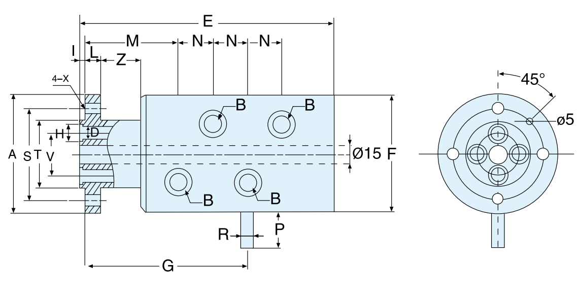
| Mechanical Data | |
| Max. Speed | 2m/s |
| Max. Pressure | 35Mpa |
| Working Temperature Max. | 220℃ |
| Media | Water, vacuum, hydraulic oil |
| Housing Material | Stainless steel |
| Weight | 5.5kgs |
| Model | A | B | D | E | F | G | H | I | L | M | N | P | R | S | T | V | Z | X |
| BRP4-G3/8 | 97 | G3/8 | 10 | 155 | 99 | 105 | 16 | 5 | 12 | 77 | 29 | 30 | 10 | 73 | 55 | 34 | 33 | 8.5 |







Innovative technology and sophisticated experience, provide a range of slip rings and rotary joints, we are dedicated to provides the best & competitive solutions to valued customers.