| Mechanical Data | |
| Max. Speed | 2m/s |
| Max. Pressure | 35Mpa |
| Working Temperature Max. | 220℃ |
| Media | Water, vacuum, hydraulic oil |
| Housing Material | Stainless steel |
| Weight | 7.5kgs |
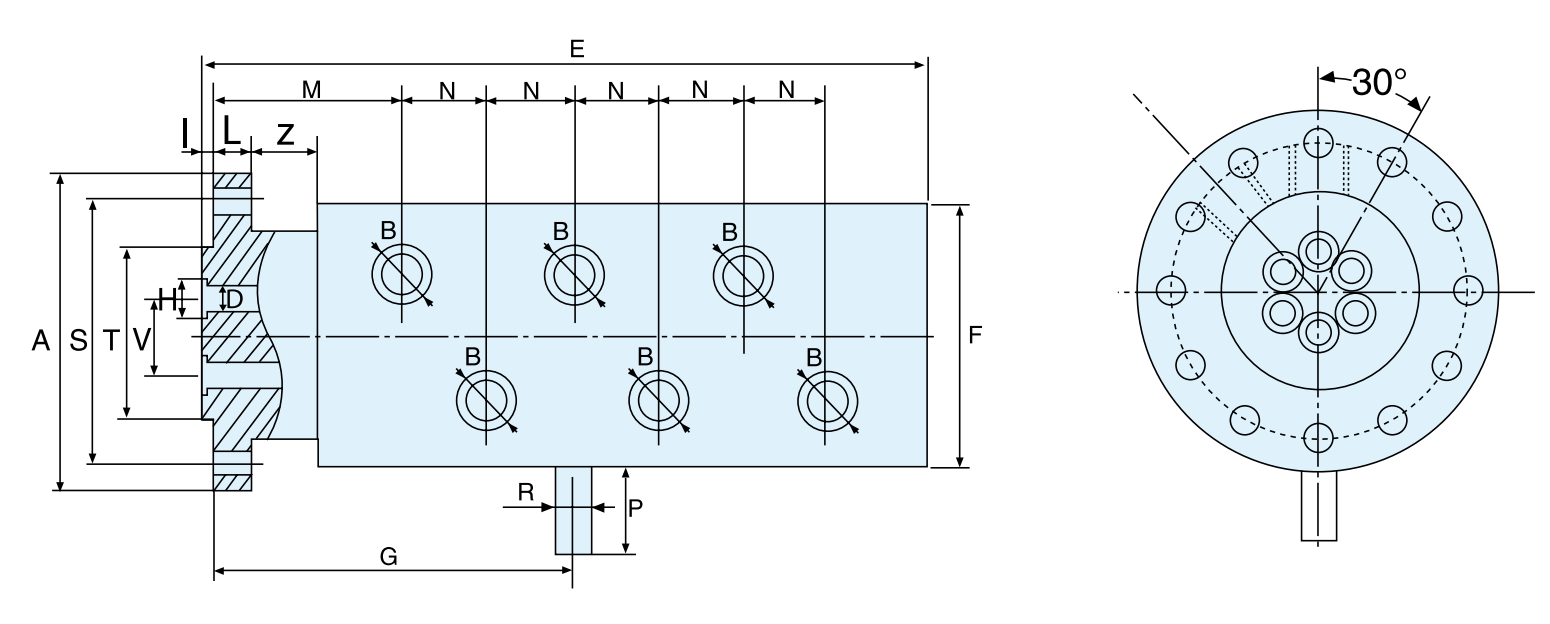
| Model | A | B | D | E | F | G | H | I | L | M | N | P | R | S | T | V | Z | X |
| BRP6-G3/8 | 108 | G3/8 | 8 | 258 | 89 | 151.5 | 12.6 | 5 | 12 | 64.5 | 29 | 30 | 10 | 90 | 60 | 27 | 21 | 8.5 |







Innovative technology and sophisticated experience, provide a range of slip rings and rotary joints, we are dedicated to provides the best & competitive solutions to valued customers.